Приобрел себе в пользование старенькую уже (2003 год) La cimbali m31 bistro. По словам прежнего владельца - проблемы с электроникой - нет свечения индикатора включения, непредсказуемая реакция на нажатие кнопок управления. Взял "вслепую", не проверяя. Ибо, вроде как, не очень дорого. Снял какие можно стенки, группу, плату процессора, блок управления (кнопки). Состояние, конечно, удручающее:
Неисправность индикатора включения нашел - деградированный светодиод, звониться, как нормальный, не светиться. Под замену. С этим понятно. Вопрос - какого он цвета свечения в оригинале? Пытался найти хоть какую-то вразумительную информацию по сервис мануалам (инженерным мануалам) на эту машину - нигде нет. Одни файлы деталировки попадаются. Гидравлической схемы нет, принципиальной электрической схемы нет, прошивку процессора даже искать не стал. Может быть есть какие у кого материалы по этой машине? Общий план такой: 1. Восстановить индикацию. 2. Проверить всю проводку и все реле управления. 3. Разобрать и почистить всю гидравлику с заменой уплотнителей. 4. Собрать всё в обратном порядке и попробовать запустить плату управления на заведомо исправных всех узлах. Если у кого каки то есть мысли и практические советы, буду очень этому рад и благодарен.
Поскольку изначально под подозрение попала плата "процессора", то есть "мозги", то что бы их проверить должна быть полностью исправная "периферия". Начать решил с платы управления, она псевдосенсорная, по конструкции, работает по принципу замыкания проводников, расположенных на листах пластика, при нажатии соответствующей кнопки. Определил распиновку кнопок и разъема, исчерпывающие фото с пояснениями размещены ниже. Кнопки все оказались исправны:
Теперь можно определять дефекты кнопок не разбирая саму панель, благо на разъемах есть щели для щупов, щупы должны быть заостренные. Буду периодически публиковать материалы по ремонту, последовательно и подробно. Может кому то и пригодится тоже. Следующий материал будет посвящен светодиодной индикации панели управления. Тоже с распиновкой и другими подробными штуками.
По деградировавшему SMD светодиоду, кстати, маркировка на подложке, куда он монтируется -ЗЕЛЕНЫЙ, принято решение о замене его на обычный светодиод диаметром 3 мм, ЖЕЛТЫЙ. Монтаж на подложку (пластиковая лента с токоведущими дорожками) SMD светодиода практически невозможен, эта подложка плавится при 300 град., что было определено при демонтаже вышедшего из строя светодиода. Желтый цвет выбран из-за повышенной яркости свечения, что бы не забывать выключать кофемашину. Красный вроде как уже есть - сигнализирует аварийный режим, зеленый тускло очень светиться через пластиковую накладку. Светодиод будет подключен отдельным шлейфом (голубой+/оранжевый-). ВНИМАТЕЛЬНО! При сверлении отверстия D=3мм под новый светодиод в планке и пластиковой ленте нужно быть крайне осторожным - сверху идет дорожка общего "+" для ВСЕХ светодиодов, если её повредить, то придется менять все SMD светодиоды на обычные и паять новый, уже проводной шлейф к ним! Определена распиновка шлейфа сигнальных светодиодов, управляются они непосредственно микросхемой центрального процессора, каждый через свой токоограничительный резистор номиналом 680 Ом.
На мой взгляд удобнее публиковать тему по ремонту "по блочно", что бы не было каши и не запутаться самому и не запутать форумчан, кому это интересно сейчас или, может понадобиться в будущем. Поэтому на сегодня ещё одна часть, про силовые входные цепи, тоже, как обычно, с иллюстрациями. Нашел в сети такую общую схему на La Cimbali M32 DT1. Так как от своей пока не нашел и никто делиться не хочет, то буду от неё отталкиваться, благо есть общие моменты. На входе установлен помехоподавляющий сетевой фильтр, к нему особое внимание, он всё время включен в сеть, независимо от положения выключателя работы машины. Эти фильтры часто выходят из строя, из-за пробоя одного из конденсаторов симметричность фильтра нарушается и фазное напряжение попадает на корпус. А дальше, если есть УЗО, то буде постоянно его выбивать, если нет, то .......( В машине он выглядит как маленький БОЛТАЮЩИЙСЯ на трех проводах боченок белого цвета
Обратил внимание, что герметик со стороны проводов деформирован, померил емкости - в обрыве, это еще хорошо! Потянул за провода, а там вот
Понятно, что под замену. Оригинал уже не найти уже, а если и найти, то гарантий никаких, без фильтра тоже не комильфо. Поэтому взял от стиралки, код конкретно этого 411.10.5036, но их много аналогичных, только необходимо ПРАВИЛЬНО подключить, НЕ ИСПОЛЬЗУЯ встроенные дроссели. Под этот фильтр придётся просверлить дополнительное отверстие в дне D=8 мм. Так, чтобы он уместился между твердотельным реле и главным выключателем и не мешал им.
Не научился пока здесь вставлять фото в редактируемую (дополняемую) тему, поэтому продолжу про фильтр, вот так это выглядит "по месту". Красные крестики это куда НЕ НАДО ПОДКЛЮЧАТЬ СЕТЬ, то есть землю на землю, а сетевые провода (от главного выключателя которые черные шли к старому фильтру) на клеммы маркированные "U" (1 и 3).
Следующим крайне важным элементом силовой цепи является аварийный термостат, код по деталировке 531-193-000. Много где указано, что он должен срабатывать при температуре 135 град. Однако, если посмотреть на характеристики этого термостата, то температура его срабатывания 169 град. Что бы его проверить сделал небольшой стенд из теплообменника (почистил его уже, кстати), стеклянной банки и термофена, установленного на 170 град. Погружаем зонд термостата в колбу теплообменника (полностью) и дуем туда термофеном. Если термостат исправен он где-то через минуту щелкнет и разомкнет пары контактов 31/32 и 11/12. Достав из теплообменника зонд и немного охладив его нужно нажать на кнопку возврата и контакты должны замкнуться (устойчиво!). Если что - регулируем винтом (обведен на фото красным). НЕ ЗАБЫТЬ ЗАФИКСИРОВАТЬ МАСЛЯНОЙ КРАСКОЙ!
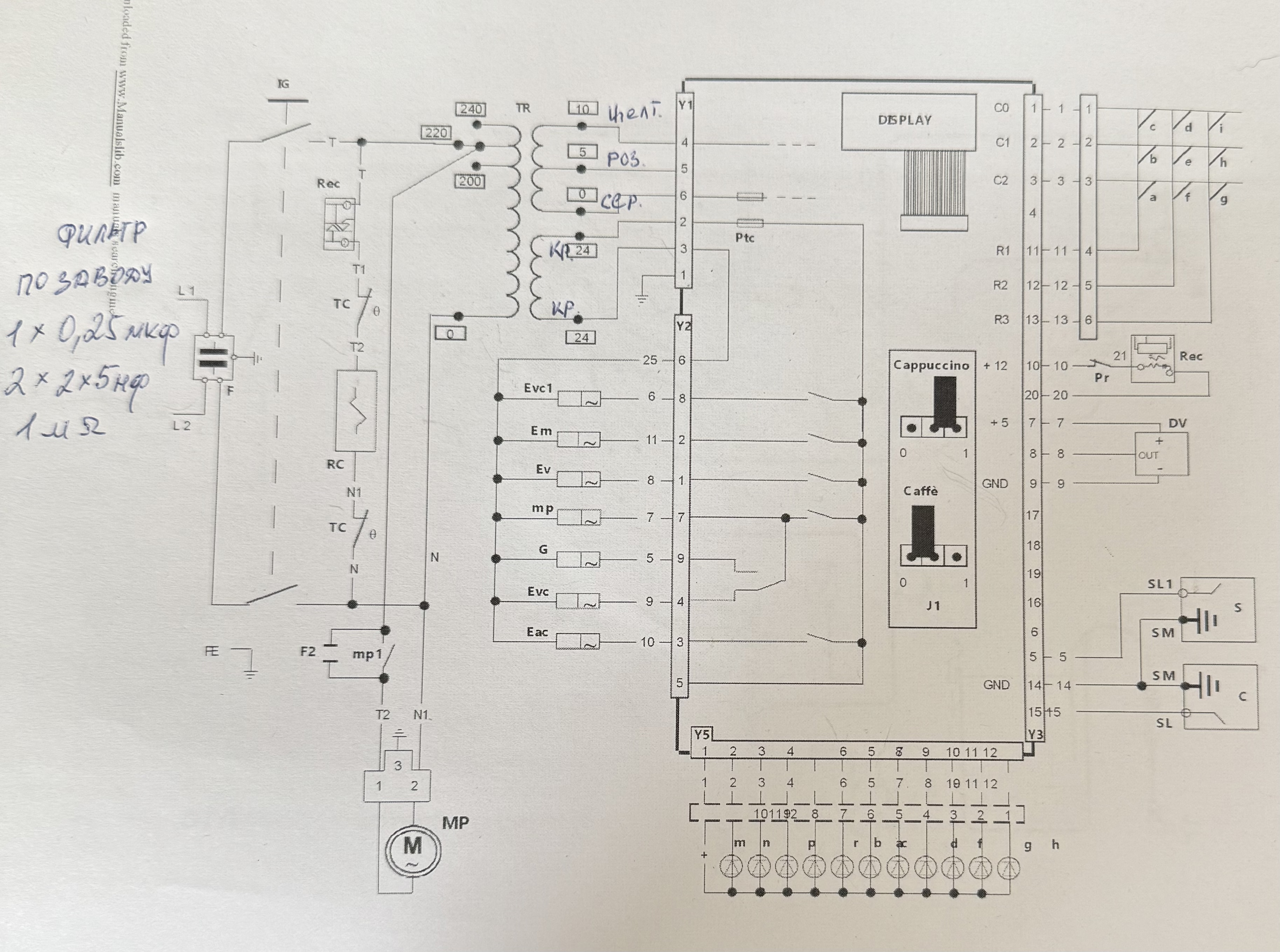
И закончить сегодня хотел бы силовым трансформатором и его цепями первичной и вторичной обмоток и распиновкой разъема питания на плате управления. Поскольку никто пока не делится схемой М31, то вот в сети нашел такую общую схему М32, благо есть общие черты, на ней отметил цвет проводов вторичной обмотки, совпадает с М31 полностью
Что касается первичной обмотки, то она коммутируется внутренним разъемом на 200-220-240 вольт - это тоже надо иметь ввиду, сеть везде разная! Двойной синий провод устанавливается в разъем N, а вот двойной черный в гнездо, соответствующее более менее напряжению ВАШЕЙ сети, ниже фото разъема и шильдика трансформатора
Ну и в завершении на сегодня распиновка разъема питания на плате управления с номиналами входных напряжений питания
Когда снял группу, то обнаружил такое, очень неприятное повреждение. Прошу мнения профессионалов по этим машинам, можно ли нормально эксплуатировать группу с таким повреждением? Компенсирует ли уплотнитель такой дефект? Не будет ли течь? Или искать новую?
Машину разобрал полностью. Всю электронику снял. При дальнейшей проверке выяснилось, что плата управления "не видит" сигнал от датчика уровня воды в бойлере. А в баке видит. Отследил цепи входов датчиков уровня бойлера и бака на вход платы управления. Вход идет через делитель из резисторов номиналом 470 кОм/100 кОм дальше через конденсатор 88n в схему (одинаково для обоих датчиков). Выяснил, при измерении режимов, что Q1 - это ключ, который отвечает за уровень воды в бойлере, Q2 - тоже ключ, отвечающий за уровень воды в заливном баке. Не учел просто, при проверке, ибо не знал, что ключи срабатывают сразу, а "логика", на которую с них идет сигнал, срабатывает с небольшой задержкой. Поэтому, при закорачивании входа ключей (имитация уровня воды), индикаторные светодиоды светятся ещё какое то время. В принципе все элементы не дорогие, ну если только прошивку процессора не найти нигде, наверное. Хотел бы попросить у спецов по La Cimbali, сервис мануал (инженерный мануал) на М31. Схема сама не велика - 7 микросхем (U1 74H203B, U2 MM74HC, U3 ST62T32B, U4 ULN2003A, U5 MC7805C, U6 4949ED, U7 7517B) и 3 транзистора (Q1 и Q2 6Bp, Q3 BC337). Но лучше с оригиналом схемы иметь дело) Еще есть джамперный переключатель J1 на плате управления, в М32 он в одном положении капучино 1), в другом кофе (0). Не понял как это, на этой плате тоже есть. Просветите, если кто знает. Вот так выглядит вся снятая электрика, напомнило замену торпеды на ВАЗ
Всё оттестировал, «шасси» отмыл и освежил, потом установил всё на место и ещё раз проверил:
Когда снял группу, то обнаружил такое, очень неприятное повреждение. Прошу мнения профессионалов по этим машинам, можно ли нормально эксплуатировать группу с таким повреждением? Компенсирует ли уплотнитель такой дефект? Не будет ли течь? Или искать новую?
Кап Капыч: Имхо ничего страшного Спасибо, что откликнулись,а то что то никто ничего и не пишет. Правда машина старой модели уже, может и неинтересно форумчанам. Буду пробовать, на всякий случай предварительно заказал вторую такую (не в сборе). Кстати, со слов мастера, продавшего запасную группу - из 7-ми имеющихся у него в наличии только одна более менее рабочая. Причин выхода из строя две, с его слов: 1. "Отверточных дел" мастера, пытающиеся отверткой, иногда и с молотком, выковырять уплотнитель, не вывинчивая трех болтов - тогда течет там, где холдер и 2. Замачивание в агрессивной среде (кислоте) - частично разрушаются резьбовые соединения - тогда течет в них).
Кофемашина:Rocket Cellini Evo v2, La Pavoni EL
Кофемолка:Promac MD 74 AT, Mazzer Mini E, Hario mini
Ростер:ITOP CBR-1, Gene Cafe, I-Roast2
Др. оборудование: аэропресс, Кемекс, Харио V60, электронная турка, френч-пресс
Так нигде не могу найти функцию джампера j1 на плате управления. Как уже говорил выше, у машины м32 в краткой инструкции по эксплуатации есть такое, тоже не совсем понятное, изображение
Алиса из яндекса, ссылаясь на эту же инструкцию сказала мне, что это джампер режима работы помпы, но в инструкции этой я вообще такого не нашел. Но это опять же всё об m 32. А по m 31 никаких документов нигде нет от слова совсем( Попробовал, когда снял всю электронику на столе (на фото в более раннем посте) менять положение этого джампера - никакой разницы в работе электроники не выявил, может не на то смотрел. Может знает хоть кто-нибудь?
Пока схемы и мануала нет, электронику поставил на паузу. Есть несколько вопросов по ротационной помпе: 1. В оригинале в М31 стоит помпа procon с производительностью 100л/час В моей машине помпа была до меня заменена на РА204 fluid-o-tech, производительностью 200л/час. Вопрос такой, при срабатывании датчика уровня воды в бойлере (мало воды) включается помпа на долив. После повторного срабатывания датчика (воды достаточно) помпа качает еще около 4 сек, потом отключается. Не будет ли «переливать» при такой производительности? Можно, конечно датчик немного подогнуть вниз. 4 сек при 200 л/час это 222 мл. 2. Вопрос вообще исправна ли эта помпа в принципе.
Она не течет, давление на выходе выдает положенное и электродвигатель с ней работает потребляя 1,3 ампера, как положено. Но если её вращать рукой, то она вращается тяжело и явно подклинивает в одном положении вала. Должна ли помпа в принципе рукой вращаться без усилий и равномерно? 3. Прошу простить за совсем дурацкий вопрос, но в сети ответ так и не нашел, для чего эти 4 отверстия? Не для смазки сальника случайно? Может поэтому и клинит?
Если она и по производительности не совсем то и подклинивает, то наиболее бюджетный вариант это РА104 той же компании. Или кто может посоветует другого производителя? Не с космическими, конечно, ценами)
Возвращаясь к электрической части. Плат управления бывает два (мне во всяком случае попались) вида: По деталировке она 442-801-000 По факту: 442-183-002 - на ней установлен процессор с прошивкой V.NE 1.1-01 442-183-020 - на ней установлен процессор с прошивкой V.NE 2.2-02 Платы эти взаимозаменяемые. Джампер J1 (который так я и не понял для чего нужен) установлен заводом в положение - 1. Немного отличается алгоритм работы плат. При выборе дозированного розлива остановить его (розлив) можно, при первой версии платы (более ранней), нажав только на кнопку STOP. А во второй версии можно или STOP или той же кнопкой, которой розлив запущен (повторным нажатием). Когда появилась возможность проверить работу машины второй, заведомо исправной платой, то выяснилось, что плата не является причиной "глюков" работы. Первопричина в мембранной клавиатуре, схему которой я выкладывал выше : при нажатии кнопки стоп замыкается цепь 2-5, но при этом появляется "паразитное" неполное замыкание цепи кнопки КАППУЧИНО, причем сопротивление между ее контактами около 8 кОм. Так что теперь причина полностью стала ясна. Вот как выглядит сама плата процессора, это первая версия прошивки (по наклейке на процессоре) и в правом верхнем углу номер по её деталировке.
И составил список всех (вроде как всех) уплотнителей, которые заменяются при капитальном ремонте, ибо такого, исчерпывающего, списка нигде не встретил и приходилось заказывать уплотнители по ходу ремонта несколько раз. Виды соответствуют деталировке м31. Названия придумать пришлось самому, что бы не запутаться что и откуда.
И да, хорошо, что есть вторая машина этой же марки, приобретена была как донор, когда была под вопросом работоспособность платы процессора, хоть и не понадобилась (плата оказалась рабочей), но значительно проще собирать и разбирать, когда рядом образец!). Потом продам этого донора так же за недорого, так как все узлы в нем на местах, кроме теплообменника, который был поврежден Дополнил список: 401-278-000 нужно, в итоге, не 2, а 3 шт., так как обратных клапанов ДВА. 400-335-000, не указал в списке, нужно 2 таких уплотнителя, они установлены в крышках двух обратных клапанов.
Обратил внимание на наличие «лишнего» элемента в своей кофемашине - это дополнительный фильтр. Почему «лишнего» и почему в кавычках, сейчас поясню. По гидравлической схеме м31, взятой из деталировки, вода из помпы, через гибкую подводку, поступает в обратный клапан, вот так:
Точно так же на кофемашине доноре это выглядит в натуральном, так сказать, виде:
Но в машине, которая на капремонте, изначально этот узел выглядит вот так:
То есть между штуцером гибкой подводки и штуцером обратного клапана установлен дополнительный фильтр достаточно большого диаметра, с фильтрующим элементом из нержавеющей свалянной проволоки, в разобранном состоянии выглядит вот так:
Может быть кто-то сталкивался с таким в этой модели кофемашины, это чья-то самодеятельность или это «по заводу»? Ну то есть выбросить его из гидравлики или пусть останется?
mvdoctor: Встречал такой фильтр на старой фаеме е98 перед помпой, точь-в-точь Код у фаемы 2771117583
С фильтром разобрался. Такой фильтр ставится после помпы, если машина запитана от водопровода, (штуцер для подключения водоропровода 1/2 (на дне машины) тройником, через две медные трубки соединен непосредственно с помпой и электроклапаном долива, при этом штуцер выхода из бака заглушен). Если штуцер на дне 1/8 и он соединен безо всякого тройника, медной трубкой с электроклапаном долива, а бак подключен непосредственно к помпе, то в такой модификации этого фильтра нет.
Капитальный ремонт кофемашины практически завершен. Сейчас она открыта, в «прогоне», на предмет выявления каких либо течей или ещё чего. Что могу сказать в итоге, очень бы упростило, если бы был изначально полный список заменяемых уплотнителей. В Москве только в одной компании нашёл ВСЕ, без исключения, уплотнители, сразу и в одном месте. Интересно, что директор настоящий итальянец, думал, сначала, что это рекламный ход, пока сам, лично, случайно его не увидел и не пообщался. Что касается герметиков (НЕ ПУТАТЬ С ФИКСАТОРАМИ) резьбовых соединений. Использовал аналог немецкого Loctite 777, который Henkel и теперь его прямых поставок нет, ценник космический и, при этом, может быть вообще подделка, так вот наш, российский аналог:
И фиксирует хорошо и разбирать соединение можно, если что. Полная фиксация, как и у немецкого, через 24 часа. И цена вполне приемлемая, около 1к за 50 мл. На кофемашину, разобранную до винтиков хватает и ещё остается. И несколько фото по итогам работы, можно сравнить, с тем, ЧТО было в начале темы:
Забыл упомянуть про теплоизоляцию, много об этом читал и про какие то куски от водолазных костюмов и про дорогой каучук и про базальтовую ткань. Я применил стекловолокно с силиконовым покрытием (односторонним). Бойлер обернул силиконом наружу, в один слой, закрепил на хомуты. Аллюминиевый скотч не приклеивается! А разделительную стенку бака (по заводу там стекловата с фольгой на двух прижимных планках), проложил в два слоя. Кусок брал на маркетплейсе 1метр на 1 метр. С максимальной рабочей температурой 250 град. Ну вот вроде и всё. Может кто найдет что-то полезное и для себя в этой теме.
Многие знают, что я фанат Аэропресс. Поэтому, очень долго откладывал в самый дальний ящик покупку данного устройства. Зачем кому-то нужен клон Аэропресса? Однако, на деле оказалось, хоть эти устройства и похожи, у Дельтер Пресса есть свои особенности. Покупать Дельтер Пресс рекомендую в случае, если уже всё есть. На этом можно было бы закончить статью, но давайте разберемся, почему эта кофеварка не только красивый кусок китайского пластика с австралийским акцентом, но имеет огромный потенциал.
Сейчас разгар отпусков и лета 2019 года, я сижу в кофейне, где-то между Австрией, Венгрией и Чехией, пью колд-брю и решил написать для нашего прекрасного русско-язычного кофейного комьюнити, что я думаю по этому поводу и какие основные два метода заваривания доступны для обычного человека. Тем более, что у Sweet Beans Coffee на складе в Краснодаре появился удивительный PUCKPUCK, который теперь всегда со мной.